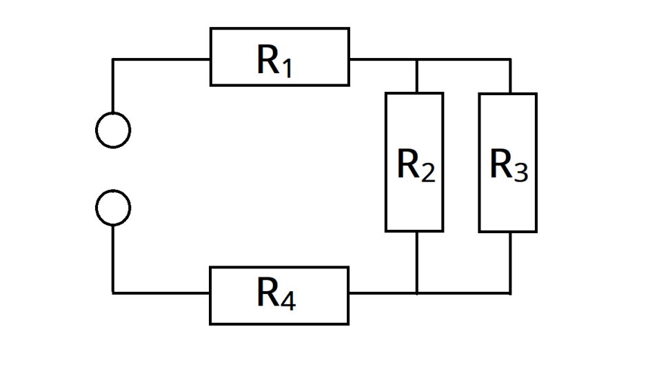
Gemischte Schaltung Schwer. Wie berechnet man spannung und stromstärke in einer gemischten schaltung. Eine erklärung was eine gruppenschaltung ist.
Ströme und spannungen in widerstandsnetzwerken. Obwohl die berechnung von reihenschaltung und parallelschaltung unterschiedlich ist ist die vorgehensweise bei der berechnung von gesamtkapazität kondensator und gesamtinduktivität spule gleich. Eine erklärung was eine gruppenschaltung ist.
Wie berechnet man spannung und stromstärke in einer gemischten schaltung.
Mit der gruppenschaltung gemischte schaltung von widerständen befassen wir uns in diesem artikel. Zur berechnung des gesamtwiderstandes muss man erkennen können welche widerstä. Wie muss man in einer mischschaltung vorgehen. Ur2 20 v r 1 150 ω r3 220ω r4 470ω i 200 ma a berechnen sie den gesamtwiderstand der schaltung sowie die fehlenden spannungen und ströme.
